
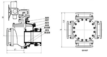
四通換向球閥結構特點
該四通換向球閥,一 閥實現正反供水切換,每轉90 ,供水方式切換一次,以前需四個閥門,供水時閥1、4 開啟,閥2、3關閉;反向供水時閥2、3開啟,閥1、4 關閉(圖一),現用一臺四通球閥(圖二)替代,操作方便。

|
產品型號
|
Q46F-10C-40
|
Q46F-10P-40P
|
|
閥體
|
WCB
|
CF8
|
|
球體
|
CF8
|
CF8
|
|
閥桿/固定軸
|
2Cr13
|
304
|
|
密封圈
|
PTFE
|
PTFE
|
|
閥座
|
2Cr13
|
2Cr1+STL
|
|
填料
|
PTFE+O形圈
|
PTFE+O形圈
|
|
適用介質
|
水、油、蒸汽等
|
水、油、蒸汽等
|
|
適用溫度
|
-29-200℃
|
-29-200℃
|
|
蝸輪四通換向閥
|
ZQ后插入“3”表示,示例:ZQ346F-16C
|
|
|
氣動四通換向閥
|
ZQ后插入“6”表示,示例:ZQ646Y-150LbC
|
|
|
電動四通換向閥
|
ZQ后插入“9”表示,示例:ZQ946Y-100
|
|
|
公稱通徑DN
|
50
|
65
|
80
|
100
|
125
|
150
|
200
|
250
|
300
|
350
|
400
|
500
|
600
|
|
L
|
240
|
260
|
280
|
320
|
380
|
440
|
670
|
760
|
850
|
980
|
1080
|
1360
|
1750
|
|
L1
|
120
|
130
|
140
|
160
|
190
|
220
|
335
|
380
|
425
|
490
|
540
|
680
|
875
|
|
H
|
325
|
335
|
360
|
370
|
420
|
440
|
49
|
520
|
610
|
700
|
800
|
900
|
1000
|